純正アースケーブルの交換linkを行った際、エアクリーナーケースを装着しようとしたところ、固定用のマウントが劣化して硬くなっており、ボルトのねじ穴が合わせにくくなっていた。

これまで、車体各部分大小さまざまなマウントを交換してきたが、吸気系統のマウントは未着手だった。経年劣化で硬くなった状態で使い続けると、振動や衝撃に耐えることができず、装着されている部品にダメージが及ぶ可能性があったことから、一斉交換してリフレッシュすることにした。

レゾネーターチャンバーを外す

まずはレゾネーターチャンバーを外すことからスタートする。ボンネットを開けて、フロントバンパーを外すlink

レゾネーターチャンバーの固定ボルトその1

ラジエターのホース付近に見える、赤丸のボルトを外す。ホースの取り回しの都合から、ラチェットレンチが入りにくく、ソケットに適当な長さのエクステンションバーを組み合わせると、ボルトが緩めやすくなる。

レゾネーターチャンバーの固定ボルトその2

次は下回り側。右側タイダウンフック付近にある、青丸の二つのクリップを外す。これがスプラッシュガードとインナーフェンダーの、下回り部分を固定するクリップになる。これらのクリップを外してから、赤丸のボルトを外す。

タイヤハウス内のクリップ

タイヤハウス内に見える、スプラッシュガードとインナーフェンダー用のクリップを外す。合計四箇所のクリップを外すと、スプラッシュガードとインナーフェンダーがだらりと垂れ下がるようになって、レゾネーターチャンバーが外しやすくなる。

レゾネーターチャンバーの固定ボルトその3

そしてヘッドライト下にある、赤丸のボルトを外す。レゾネーターチャンバーは、三本のボルトで車体に装着されており、これらのボルトを外すとレゾネーターチャンバーは下に落ちてくる。

レゾネーターチャンバーを引っ張り出す

レゾネーターチャンバーが外れた瞬間。ポリタンク、エアタンク、吸気抵抗になる邪魔な部品…といろいろな言われがある。

■   ■   ■

このレゾネーターチャンバーを外すと、エンジンのフィーリングや走り方はどう変化するのか。このナゾを自分なりに体感してみるために、このタイミングでスプラッシュガードとインナーフェンダー、フロントバンパーを一旦装着し、試走してみることになった。

吸気音が明らかに大きくなった。3,000rpmあたりからアクセル開度に応じて低いゴーゴー音が大きくなり、人によってはこれがいい音なのかもしれないが、抱いた第一印象は「しっちゃかましかっ!!(うるさい)」だった。ただでさえ車内が騒がしいところに、さらに吸気音が含まれてくると音で疲れてしまい、長時間の運転は間違いなく苦痛になる。

ついでに、加速がやけにもっさりとして、フィーリングの良さが失われていた。大きな吸気音とハイカムに切り替わらないとパワーが出なくなるため、「レゾネーターチャンバーを外したほうが、パワーが出る」と感じるのかもしれない。『レゾネーター外し』は今回だけだ。

□   □   □

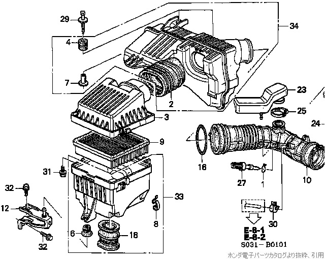
レゾネーターチャンバー部のパーツリスト
4.  17212-P2J-J00  ラバー,エアクリーナーマウンティング  534円@178円  3個
7.  17216-PN3-000  カラー,エアクリーナーマウンティング  501円@167円  3個
13.  17232-P04-G00  シール,レゾネーターラバー  248円  1個
28.  75353-671-000  ロック,スクリュー  135円  1個
29.  90001-P0A-000  ボルトワッシャー,スペシャル 6X35  549円@183円  3個
32.  93405-06016-08  ボルトワッシャー, 6X16  43円  1個

マウントだけを交換するのではなく、固定用のボルトやナット、カラー、U字型のインテークパイプとレゾネーターチャンバーがつながるラバーシールを含めて、全て交換していく。

レゾネーターチャンバーの部品交換中

パーツリストと部品の照合を何度も行って、装着する部品が正しく使えるよう、番号も割り振っていた。図面を印刷し、部品のセット方向を間違えないように配慮している。

インテークパイプとレゾネーターチャンバーの固定部分

レゾネーターチャンバーに対し、U字型のインテークパイプはこのボルト一本で固定されている。こんなところのボルトとナットも、忘れずにリフレッシュしていく。

エアクリーナーケースを外す

レゾネーターチャンバー部の作業が終わったら、次はエアクリーナーケース部となる。こちらも一旦、車体から外す。

エアクリーナーの固定部分その1

エアクリーナーケースの上部にある、赤丸の二本のボルトを外す。

エアクリーナーケースの固定部分その2

続いて、エアクリーナーケースの下部にある、ゴムマウントから抜き取る。冷却水のリザーブタンクの隙間から見えるので、少しずつ力を加えて引いていくと、ゴムが変形しながら抜けてくる。強引に引っ張ると、エアクリーナーケースのツメが割れる恐れがある。

エアクリーナーケース部のパーツリスト
2.  17203-P2J-000  チューブB,エアーフロー  1,144円  1個
4.  17212-P2J-J00  ラバー,エアクリーナーマウンティング  356円@178円  2個
6.  17212-P2J-000  ラバー,エアクリーナーマウンティング  178円  1個
7.  17216-PN3-000  カラー,エアクリーナーマウンティング  334円@167円  2個
12.  17231-P2A-000  ステイCOMP.,レゾネーター  788円  1個
18.  17244-P2J-000  ラバー,インテークシール  1,015円  1個
29.  90001-P0A-000  ボルトワッシャー,スペシャル 6X35  366円@183円  2個
32.  93405-06016-08  ボルトワッシャー, 6X16  86円@43円  2個

エアクリーナーケース部も、レゾネーターチャンバー部と同じくマウントだけでなく、固定用のボルト、カラーを交換する。そして、2番と18番のインテークチューブ。やはりゴムなので柔軟性が失われ、縮みや表面の荒れが発生し始めていることから、この際に交換。12番のステーは、現車のものが錆び始めていたことで、交換用部品に追加している。

交換前のレゾネーターステー

レゾネーターステーは、二本のボルトでフレームに装着されている。赤丸で囲った、すぐに見えるボルトが一本目、そしてステーの裏側、赤い矢印部分の先に隠れるようにして二本目のボルトがある。

交換後のレゾネーターステー

エアクリーナーケースやレゾネーターチャンバーがないことを利用して、手の届く範囲のフレームを清掃してから、新しいレゾネーターステーを装着する。単体部品として供給されるレゾネーターステーは、黒い防錆塗装が施されていた。この時点では、6番のエアクリーナーマウンティングラバー(見た目の形状から、作業中は巻きグソゴムと呼び続けていた)は装着しない。

エアクリーナーケースのゴムを交換中

エアクリーナーケースをひっくり返し、各ゴム部品を交換していく。一緒くたにエアクリーナーケースと表現しているが、先の図面から分かるように、本来の『エアクリーナーケース』は図中33番を示す。34番はサイレンサーで、レゾネーターチャンバーと同じ役目、吸気音の低減と低速トルクの増強を受け持っている。

インテークシールラバーの比較

エアクリーナーケースの下部に装着されている、インテークシールラバーの新旧比較。左は新品、右は外した古いもの。熱と外気に晒され続け、縮みと肌荒れが発生していた。左の白い丸で囲った部分が

エアクリーナーケースの内部

エアクリーナーケース内部の突起にハマるようになっている。

エアーフローチューブBの内部

エアーフローチューブBの内側では、ずいぶん前から白化が発生していた。爪で擦ると剥がれていく様子から、大きな欠片が脱落してシリンダーへ吸い込まれる前に、交換しておく。

エアクリーナーマウンティングラバー

6番のエアクリーナーマウンティングラバーをケースに装着し、エアクリーナーケース部の作業は終了。外していた吸気系統の部品を車体に装着していく。

装着

取り外し時と同じく、作業はレゾネーターチャンバーから装着していく。

レゾネーターチャンバーを装着中

レゾネーターチャンバーを車体下部からセットしていく。

新品ステーとボルト

光っている新品のステーとボルトが見れるのは、今だけ。艶々して柔らかいマウントの効果で、振動や衝撃を受け流してくれるだろう。

新品のボルトでエアクリーナーケースを固定

続いて、エアクリーナーケースを車体に装着する。こちらも新品のボルトで固定。ダンパーハウジングから僅かばかり見える、キレイなアッパーマウントやナットの相乗効果で、見た目が非常に良くなった。

硬くなったマウントを使い続けていた場合、柔軟性が無くて裂けてしまう、もしくは振動や衝撃に耐えられなくなって、固定されている部品にダメージが及ぶといった可能性が考えられる。外したゴム部品をチェックしたところ、細かいヒビが入っているものがいくつか見つかったため、リフレッシュするタイミングはちょうど良かったようだ。

小さいゴム部品一つの不調で、異音の発生や妙な振動を感じることがあり、それら少々の不快感が、ボロ臭い雰囲気に繋がってしまう。20年以上前の旧い車を日常で快適に使えるようにするには、細かい部品の経年劣化に気を配ることの積み重ねと言えそうだ。

走行距離:281,681km

Post