総走行距離400,000km300,000kmで3回目のタイミングベルト交換となったのが2020年2月8日のこと。それから6年1ヶ月で400,000kmになり、4回目のタイミングベルトの交換時期になった。

前回のタイミングベルト交換linkは興味本位からDIYでチャレンジしてみたが、タイミングベルトを適正なテンションで張るテンションプーリーの調整がうまくいかず、結果的に担当ディーラーに仕上げてもらうことになり、非常に迷惑な入庫を仕出かしてしまった。

そんな失敗経験から、4回目のタイミングベルト交換は最初からプロの整備士、担当ディーラーに作業を依頼した。

外されたタイミングベルトをチェック

強化タイミングベルトなる社外品が各社から発売されているが、ノーマルエンジンにつき純正タイミングベルトで間に合っている。合計4本のタイミングベルトを見てきたが、最大8,400rpmを回して急激な回転数の変動にも耐えており、必要な機能は十分に満たしている。

6年10万キロを使ったB16B用タイミングベルト

タイミングベルト本体に印刷されている純正部品番号や型番は殆ど消えており、太陽光を反射させることでなんとか見える状態だった。

HONDAのロゴマーク、本来の純正部品番号となる14400-P72-014、126RU26は歯数126とベルト幅26mmを示しているのだろう。UNITTAとは製造元であるゲイツ・ユニッタ・アジア株式会社のことでMADE IN JAPAN。

新しいタイミングベルト

参考までに、新しいタイミングベルトの見え方。白い文字がハッキリと見えている。

歯布の様子

テンションプーリーを使って逆曲げをしてみると、歯布表面が僅かに荒れ始めていた。明確なヒビ割れではなかったが、こうしたところからヒビが深くなっていくのかもしれない。新品に比べると明らかに固くなっていることも、劣化を裏付けるものになるだろう。

テンションプーリー

調整方法が難しかったテンションプーリーとスプリング。素人が無理に作業しなくていいと実感させてくれたパーツでもある。

テンションプーリーの実体はグリス封入のベアリング。手で回してもゴロゴロとした抵抗感は無かったが、内部のグリスが滲み出て遠心力で広がった痕跡があり、長く使い続けるものではない。

タイミングベルト部パーツリスト
1.  06141-P72-315  ベルトキット,タイミング  11,660円  1個
15.  14510-P30-003  テンショナーCOMP.,タイミングベルト  7,755円  1個
17.  14516-PR4-A00  スプリングCOMP.,タイミングベルト  473円  1個

ウォーターポンプをチェック

続いて、ウォーターポンプを見る。タイミングベルトとの同時交換を強く推奨される理由として、ウォーターポンプはタイミングベルトより奥にあり、脱着はベルトを外さなければならない。タイミングベルトが外されている状態ならばウォーターポンプも交換しやすくなり、これで工賃の節約と作業の手間を減らすことができるため。

エンジンのウォーターポンプ位置

タイミングベルトが外された状態で撮影していたウォーターポンプ。エンジンブロックに直接装着され、タイミングベルトで駆動される。

使用後のウォーターポンプ

100,000km分の冷却を支えたウォーターポンプはプーリーに錆が浮かび、汚れに覆われていた。先に掲載した交換当時の写真と比較すると、その差はハッキリする。

ブリードホールからの漏れは無し

ブリードホール内部に冷却水由来の結晶はなく、プーリーは硬い感触の回転になっていることから、冷却水漏れを防ぐシール機能は健在と判断した。

また、ウォーターポンプ下部にも冷却水漏れの痕跡は無く、サービスマニュアルに従って規定トルクでボルトの締め付けができていたことが確認できた。

ウォーターポンプの装着方法

サービスマニュアルでも液状ガスケットを塗布する指示はなく、エンジンブロックに直接装着するようになっている。

ブリードホールからの漏れは無し

羽根車に傷や摩耗は無し。消泡剤の劣化を考えると、長寿命な冷却水(ホンダウルトラeクーラント)を使っているとはいえ50,000km程度での交換サイクルは継続したいところだ。

YAMADAのイーグルマーク

製造元である株式会社山田製作所のイーグルマーク。東海道新幹線が無ければ人類が月に降り立つ遥か以前となる、1961年から使われ続けている由緒あるデザインだそうな。

ウォーターポンプ部パーツリスト
1.  19200-P72-013  ポンプCOMP.,ウォーター(ヤマダ)  26,840円  1個

アウトレットからの冷却水漏れ

ウォーターポンプの交換で冷却水を抜くのだからと、同時に冷却水漏れの修理も依頼した。

ラジエターアッパーホースとエンジンブロックを繋ぐウォーターアウトレットカバーは社外品の水温センサーが装着できる純正加工品…AUTO AQU アウトレットアダプターを使っていた。

その後に装着した水温計は、純正水温センサーとECUの通信信号を読み取るテクトムCMX-100 H1となり、社外の水温センサー及びアウトレットアダプターは不要になる。

冷却水漏れ

社外温度センサーを使わぬまま、かなりの年数が経過した2025年の春に冷却水漏れが発見された。修理は冷却水を抜かなければならず、液状ガスケットの塗布は日中のDIY作業では無理だ。今回のタイミングベルトの交換までは、漏らしたまま走り回っていた。

アウトレットカバーは持ち込み

本来使用していた、純正アウトレットカバーは持ち込みで交換してもらうことになった。完全な純正戻し。一旦外したラジエターホースは再利用するわけにはいかず、アッパーホースも同時に交換となった。

アウトレットカバー周辺のパーツカタログ

アウトレットカバー部分のパーツカタログを見直す。6番がアウトレットカバーで、エンジンブロックとの接合部分にOリングやパッキンの類は設定されておらず、イラストもない。

サービスマニュアルを参照

続いてサービスマニュアルを参照すると『合わせ面にホンダ純正液体パッキン1216または5699を塗布する』と記載があり、これで密封するようだ。2026年現在、使用しているホンダ純正液体パッキンは1216とのこと。

純正アウトレットカバーに戻る

純正アウトレットカバーに戻り、冷却水の漏れも止まった。事前に、どうしても液状ガスケットは外に飛び出すと言われていたが、望んだ光景でもあるために問題はなし。

補機ベルトは宿題が残る

タイミングベルト以外にも、パワステポンプ、オルタネーター、エアコン用コンプレッサーを駆動する3本のベルトも同時交換となる。

過去の損傷状態のチェックから、これら3本の補機ベルトは50,000km毎の交換としている。よって使用距離は350,000kmから400,000kmとなる。

補機ベルト類

イマ車にあるようなサーペンタイン式ではないので、各補機用に個別のベルトが必要になってくる。最も手前にあるのがパワステポンプ用のベルト。

 38920-P73-023  ベルト,コンプレッサー  2,310円  1個  エアコンコンプレッサー用
 31110-P73-508  ベルト,A.C.ジェネレーター  2,387円  1個  オルタネーター用
 56992-P72-506  ベルト,パワーステアリングポンプ  2,310円  1個  パワステポンプ用

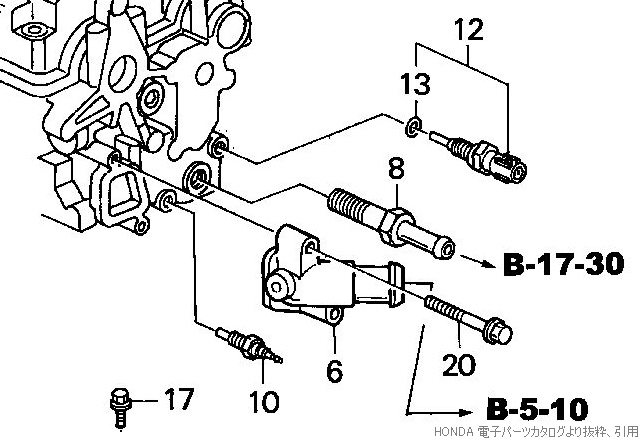
未交換だったアイドルプーリー

残った宿題とは、エアコン用コンプレッサーベルトのアイドルプーリーは未交換となっていること。事前の作業明細書のチェック漏れだった。部品だけは手配しておき後々単体で交換するか、450,000kmまで使い続けるかどちらかになる。

アイドルプーリー周辺のパーツカタログ

図中17番が問題のアイドルプーリー、38942-P73-000 プーリーCOMP.,アイドル。周辺のボルトやカラー類も含めて、後日発注としておく。

その他の交換部品

エアコン用コンプレッサーベルトの交換では左側のフロントストッパーを取り外すことになり、ちょうどヒビが入っていたことから、新品への同時交換を追加依頼。

前回の交換から10年、距離にして170,000kmを使っていたサーモスタットについても交換を提案され、そのまま依頼となった。

フロントストッパーとサーモスタット

左のフロントストッパーは3個使っており、今回のタイミングベルト交換で4個目になった。再使用しない部品につき、引きちぎるようにして外す流れはよくあること。

右のサーモスタットは 快便 開弁温度が78℃に設定された純正品。ラジエターキャップも併せて交換している。

左側フロントストッパー周辺のパーツカタログ
9.  50842-ST7-Z00  ラバー,L.フロントストッパーインシュレーター(MT)  7,260円  1個
11.  90131-ST7-000  ボルト,L.フロントストッパー  1,749円  1個
14.  90166-SR3-000  ボルト,フランジ 10X30  318円@159円  2個
21.  90372-SR3-003  ナット,フランジ 12MM  198円  1個
23.  90504-SR3-010  ワッシャー,フロントストッパー  236円  1個
 19301-PAA-306  サーモスタット(ラバーツキ)  2,783円  1個
 19045-P08-014  キャップCOMP.(トウヨウ)  2,893円  1個
 08CLA-G010S0  ウルトラeクーラント  7,392円  4.8L

集まってきた交換済みシール

タイミングベルトの定期交換後に貼付されるシールは、遂に4枚目になった。シビックRでやりたかったことの一つ。

タイミングベルト交換済み

これまでは5年少々での交換が続いており、今回は6年1ヶ月と僅かばかり間隔が開いた。今後の運用次第だが、次の大台に達することはできるのだろうか。

100,000km毎に訪れる定期整備も、今回で4回目となった。過去の各作業履歴を見直していたところ、部品価格の値上げ幅が大きく、前回(300,000km/2020年6月当時)と比べても2倍になっているものもあった。しかし欠品でリフレッシュできなくなるよりかはマシか。

プロの作業はあっという間で、午前中に作業着手し、午後にはエンジンの再始動ができていた。DIYでの作業に必要な下調べ、実作業時間や使用工具といった各種コストを考えると、作業工賃の妥当性が身に染みて納得できる。いや、旧型車の整備を依頼してこの価格なら、むしろ安いくらいでひたすら感謝だ。見ているかな?ありがとうございます>担当ディーラー

エアコン用コンプレッサーベルトのアイドルプーリーが未交換となった点は、書類…作業見積書の記載事項を見逃すという典型的なミスが発端となった。職場で注意しろと言われていることで、プライベートでも全く同じミスをやるとは情けない。部品だけは早めに手配しておき、日頃の整備作業中に作業できるか検討していく。

走行距離:400,019km

Post