EK9のエアフロチューブは長らく欠品となっている。ディーラーを通じて何度か在庫確認を行っているが、状況が変わることは全くない。

EK9用エアフロチューブ

問題のエアフロチューブは、エアクリーナーのサイレンサー部からスロットルまでを繋いでいる。部品番号は17228-P7J-000、部品名はチューブ,エアフローとなっている。

購入できた当時は4,000円もしない値段だったので3個入手、1個は2016年5月に交換している。その後、購入できなくなっていることが判明し、残りは2個となる。

エンジンの熱と振動をダイレクトに受ける部品なので、経年でひび割れてしまう。どうも蛇腹加工部分が弱いようで、全周に渡ってクラックが入っていき、最終的には破れるようにして穴が開く。

蛇腹加工部分のクラック

2022年前後の定期メンテナンス中にクラックを発見し、年月の経過と共に傷は深くなっていく。初回交換時の損傷具合と全く同じで、ストック品と交換すれば問題は解決するが。

EK4は使えないか?

貴重なストック品を使ってしまうのは気が引けてしまい、どうにか延命策がないものか?と悩んでいたところに、「EK4用を流用できないか?」と情報提供があった(thx!!@zola0505)。

エアフロチューブの内径が違ったという記憶があったが、そもそも現物を確認したわけではない。2024年の年末営業終了ギリギリでディーラーで調べてもらうと、在庫有り。その場で発注しておき、2025年の営業開始と共に受け取りに行く。

17228-P2T-J00 チューブ,エアーフロー

EK4用のエアフロチューブ、17228-P2T-J00 チューブ,エアーフロー。2024年末の価格は3,850円。さっそく開封し、EK9用の17228-P7J-000とEK4用の17228-P2T-J00を比較してみた。

EK9用とEK4用を比較してみると

吸気温度センサー用の穴

最大の違いは吸気温度センサー用の穴の有無。EK9はインマニで計測しているため穴はないが、EK4はこのエアフロチューブで計測しているため、専用の穴が開口している。向かって左側の穴はブリーザーパイプが繋がり、ここはEK9とEK4共に同じ位置で、現車に試着して問題なく接続できることを確認。

続いて、その他の開口部分をノギスで簡易測定し比較する。エアフロチューブは柔らかい樹脂で成形されており、作業デスク上の置き方やノギスの当て方によって形状が変化するので、厳密な数値ではない。

サイレンサー接続部分の違い

EK9用エアフロチューブ開口部その1

EK9用は72.03mm、スプリングバンドを装着したままの測定だった。

EK4用エアフロチューブ開口部その1

EK4用は73.89mmで1.86mm大きくなる。スプリングバンドがなく、締め付け効果がないことによる本来の数値だろう。

サイドブランチチューブ接続部分の違い

EK9用エアフロチューブ開口部その2

EK9用は38.59mm、チューブクランプを装着したまま。

EK4用エアフロチューブ開口部その2

EK4用は37.40mmで、今度は1.19mm小さくなる。先のEK9用の測定では、サイドブランチチューブが抜けず、グイグイと捻っていた影響が含まれる。

スロットル接続部分の違い

EK9用エアフロチューブ開口部その3

EK9用は65.89mm。

EK4用エアフロチューブ開口部その3

EK4用は64.26mmで、1.63mm小さい。EK9用は8年以上に渡って頻繁に脱着していたため、多少の緩みがあるか。

先述したように、柔らかい樹脂なので形状を安定させての測定は難しく、必ず誤差が含まれてくる。よって各接続部分の内径については同一と判断。また、エアフロチューブの内径が違ったという記憶は思い違いだったことも判明する。

その他の比較

追加比較として、エアクリーナーのサイレンサー部やエアフロチューブに繋がる部品を調査する。

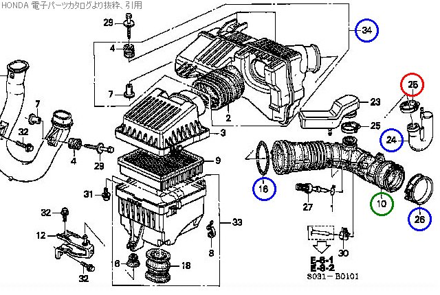
吸気系統のパーツ比較調査

パーツカタログ上では、EK9とEK4は基本的に同じイラストを使用している。緑丸の10番がエアフロチューブで、ここはEK9とEK4で別の番号が出る。青丸で囲った番号がEK9とEK4で同じ部品が使われている。

赤丸で囲ったクランプはEK9とEK4で異なる部品番号が出たが、径を示す44という注釈が共通となっているあたり、現状では統合された部品番号となる可能性がありそうだ。

余談ながら

EK9のB16B用スロットルバルブの内径は60mm。EK4のB16Aでは、B16Bに対して2mm小さくなって58mmで、DC2のB18C用では62mmとなり、2mmずつの差がある。

EK4でのパワーアップ手段として、EK9やDC2のスロットルバルブを流用装着する方法があった。ポン付けだった点から、エアフロチューブの基本形状は同じなのだろう。

17228-P2T-J00の小加工

EK4用の17228-P2T-J00は吸気温度センサー用の穴があるので、EK9で使うには塞ぐ必要がある。

吸気温度センサー用の開口部内径

吸気温度センサーが組み込まれる穴の内径を測定すると、9.46mmと出る。この結果から、9から10mmの穴に対応したキャップで塞げば良さそうだ。

シリコンキャップ

フルスロットル時に吸引されないよう、フランジ状に成形されたキャップを使用した。多用途接着剤を全周に渡って塗り、吸気温度センサーの穴に接着。

シリコンでシール

接着剤が完全に乾燥したら、さらにシリコンで二重にシールする。加工感が出ないようにするあたりは、趣味みたいなもの。

加工品の装着

エアフロチューブを固定するスプリングバンドやクランプは、全て移植して継続使用とした。

サイドブランチチューブ

吸気音を低減するサイドブランチチューブも忘れず移植。

加工済み17228-P2T-J00を装着

装着完了。黒い艶で新品になっていることがよく分かる。交換後の走行フィーリングに変化はなし。

経年によるクラック問題の解消、貴重なストック品を使わずに済んだという精神的な安心感が非常に大きい。2024年末でもEK4用のエアフロチューブが買えたことは驚異だった。

EK4用は使えないという記憶を長年抱いており、情報提供があった際にもそのように返答していた。しかしその長年の記憶が非常に怪しく、それならば現物を調べたほうがいいとなる。部品番号だけを単純に羅列して、互換性の有無やグレードの違いを見ているようでは、調査としてはまだまだ浅い。

吸気温度センサーの穴の有無しか違いが無ければ、穴を塞ぐ加工を施してEK9用の17228-P7J-000として売ることもできなくはない。実際、競売サイトには常にEK9用の未使用品エアフロチューブが出品されている。EK4用の17228-P2T-J00を加工し、EK9用として出品しているのではないか。

17228-P7J-000の目印

EK9用の正規純正品となる17228-P7J-000では、吸気温度センサーの穴はない。凸状の出っ張りだけが残されており、頭頂部には数字のゼロ(0)かアルファベットのオー(O)をイメージさせる楕円形のマークが施されている。

出品写真を拡大してよく見ると、吸気温度センサー部分の頭頂部が見えてくる。正規の17228-P7J-000か否かを判断する材料として、この楕円形マークは有効に使えるだろう。

EK4用の17228-P2T-J00を入手し、穴を塞ぐキャップ、接着剤やシール材を含めても加工費は極僅かだ。

走行距離:385,991km

Post