ハイオクガソリンのウリの一つとして、「吸気バルブの清浄効果」が謳われる。カーボンなどの汚れが吸気バルブに付着して積み重なり、ガソリンや空気の流れを乱し、インジェクターの穴を詰まらせて、本来のエンジン性能を下げてしまうとされる。そのような状態で清浄剤入りのハイオクガソリンを継続使用すれば、吸気バルブの汚れを少しずつ落とし、エンジンのコンディションを回復、もしくは整えるといったことが期待できる…といった旨の説明を目にすることが多い。

この宣伝文、あくまでレギュラーガソリンかつポート噴射式に当てはまる。現在主流の直噴エンジンでは、構造的に吸気バルブにガソリンが接触しないので、清浄することはできない。期待できる効果は、インジェクターの穴のクリーニングくらいだろうか。

では、旧来のポート噴射かつハイオクガソリン仕様で、29.5万キロを走ったエンジンの場合、吸気バルブやインジェクターに汚れはあるのか。どのようなコンディションになっているのか、実際に調べてみることにした。

使用燃料の経歴

まずは、使用燃料について。

使用燃料は、9割方ENEOSのハイオクガソリンだ。2007年12月に納車されてから2018年9月末まではENEOSヴィーゴ外部リンク:JXTGエネルギー、2018年10月からは、現行のENEOSハイオクガソリンとなっている。

その他、シビアコンディションに該当するものの、毎日運転。5,000km毎のエンジンオイル交換前に、WAKO'SのFUEL1(OEMのPITWORK F-ZEROも有)を使用。エンジンオイルはMobil1 5W-40、エアクリーナーのエレメントは毎年交換。10万キロ毎に、ビルシュタインR2000の施工と燃料フィルターの交換…というように、384,400kmを走り抜くためのエンジン保護策は欠かさず行っている。

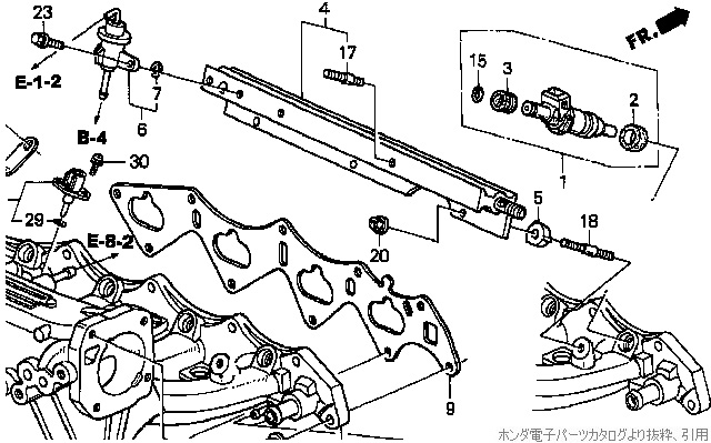
インジェクターを外すには

次にインジェクターをエンジンから外す。これでインジェクターの噴射口の確認、ポート部分からマイクロスコープカメラを突っ込んで、吸気バルブを撮影チェックすることができる。

燃料ポンプのヒューズ

エンジンが動作した状態で、ヒューズボックス内の丸で示した15Aヒューズを抜く。このヒューズが燃料ポンプのヒューズで、抜き取れば燃料ポンプが停止、エンジンは止まる。エンジンチェックランプが点灯するが、燃料ポンプが止まって異常と感知したため。続いて、燃料キャップを少し開けてガソリン蒸気を逃がし、燃料系統の圧力を除去する。

ガソリンを直接扱う以上は、火気厳禁。火災や爆発を防ぐために、体の静電気を逃がし続けることや、バッテリーのマイナス端子を外しておくことも忘れずに行う。

各コネクタを外す

インジェクターに繋がるハーネスを外すために、丸で示したコネクタを外す。ハーネスを動かしやすくするため、インマニ部分にある吸気温度センサーのコネクタも外しておく。

ハーネスは避けておく

ハーネスはサージタンク側に動かして、作業の支障にならないようにしておく。

外すボルトとナット

フューエルプレッシャーレギュレーターの下にあるナット、及び吸気温度センサーの右側、1番インマニに装着されているボルトを外す。

外すボルトは残り2つ

続いて、2番インマニと3番インマニの間にあるナット、4番インマニ上のナットを外す。これでエンジンからデリバリパイプが浮くようになり、インジェクターを外すことができる。デリバリパイプに対し、各インジェクターはゴムリングで嵌め込まれているだけなので、力を要することはない。デリバリパイプやインジェクター内に残ったガソリンが噴出すので、ウエス等で撒き散らさないように注意する。

外れたインジェクターのチェック

外れたインジェクター

外して並べたインジェクター。各シリンダーと同じ並びにしており、右から1、2、3、4となって、本体にも番号を記入している。噴射口を囲う先端のプラスチック部分には湿った汚れが付着しており、4本の汚れ方には大きな差は見られなかった。

外れたインジェクターの拡大
汚れは簡単に落ちる

製造から20年以上を経過していながら、汚れは予想よりも少ないと感じた。汚れはウエスで軽く拭けば除去できて、プラスチック部分にひび割れや欠けといった異常もなし。

汚れは一切なし

噴射口についても、全くキレイな状態が維持されている。金属地が露出しており、汚れていない。何か異常があれば、即買い替えるつもりでいたが、これなら現状の維持方法で問題無さそうだ。

インジェクター内のフィルター

続いて、インジェクター内に組み込まれているフィルターもチェックする。燃料供給系統のフィルターは三箇所あって、燃料ポンプ本体、配管途中のフィルターlink、このインジェクター内部のフィルターとなる。フィルター内には汚れは全くなく、燃料配管のコンディションは上々と予想できる。

インジェクター内のフィルター

フィルターの目は非常に細かく、僅かな異物でもキャッチできるようになっている。毎日運転してガソリンが流れ、常に新しいハイオクガソリンを補給しているため、ワニスやガム質といった付着系の汚れも見られなかった。

ゴムパーツは全て交換

インジェクターやエンジンに装着されるOリングやシールリングといったゴムパーツは、サービスマニュアルの「分解時交換」に従い、全て新品に交換する。20年超えのゴムパーツだけに、オイルやガソリン、熱といったストレスでカチカチに硬化しており、再利用する勇気は無いが。

使用部品類
2.  16472-PD6-000  シールリング,インジェクター  1,760円@440円  4個
3.  16473-PD6-000  クッションリング,インジェクター  1,252円@313円  4個
15.  91301-PM7-003
 16074-ZY3-000
 Oリング 7.3X2.2  1,232円@308円  4個

インジェクターのゴムパーツは、一本当たり約1,000円となる。No.15のOリングは、手元のパーツリストでは150円もしない値段だったが、統廃合の都合からか300円と大幅に値上げとなっていた。こればかりは仕方なく、新品が出るだけでもマシと言える。

計3種類のゴムパーツそれぞれには、潤滑と保護のためにエンジンオイルを塗布してからインジェクターに装着し、エンジンに組み込む。また、インジェクターをエンジンに組み込んだ後は、イグニッションキースイッチを3回ほどII(ON)にして、燃料ポンプを動作させて燃圧を上げておき、燃料漏れがないか確認する。燃料漏れがないことを確認できるまで、絶対にスタータを動作させない、エンジンを始動しないこと。

吸気バルブのチェック

インジェクターが外れたことで、いよいよ吸気バルブまでマイクロスコープカメラを入れられるようになった。スルスルとカメラを突っ込んでいく。

吸気バルブ周辺の様子

見えた。吸気バルブだ。壁面に付着している赤茶色の物体は、バルブステムシール側から出てきたオイル。吸気バルブの潤滑のために、極微量のオイルが滲むことは正常。現状、エンジン始動時に青白い煙を吐くわけではなく、オイルの下からアルミ地が見えていることから、オイル管理に問題はないと判断した。

吸気バルブの様子

吸気バルブの表面には、レギュラーガソリンエンジンのようなカーボン汚れが蓄積している様子はなく、キレイな円錐形の状態を保っていた。よく見ると、吸気バルブ周辺は砂肌でななく、研磨されて整えられた状態に仕上がっている。混合気をスムーズに吸えるよう、配慮されている設計がよく分かる。

広角的に見た吸気バルブ全景

カメラを少し抜いて、広角的に見えるようにして撮影。吸気バルブの支持部分がインマニ内に突き出しており、赤茶色の具合から「まるで胃カメラだ。スキルスの胃がんっぽい」なんてことを口にしながら、計8本分の吸気バルブに向けてカメラを入れて、それぞれに汚れや異常がないか確認していく。

吸気バルブに接近

吸気バルブの近くまでカメラを寄せてみる。ハイオクガソリンの継続使用により、吸気バルブの清浄効果は維持されていることが分かった。2018年10月からのENEOSハイオクガソリンでは『新たな汚れが付着することを防ぐ』とされているので、このキレイな状態を保つことができるだろう。

分岐部分からチェック

吸気バルブに向かうインマニの分岐点の様子。今度は「気管支の内視鏡検査だよこれ」。多少のオイル付着が見えるものの、べっとりとしたものではなく、アルミ地が見えている。四つの分岐点それぞれに大きな違いは無く、20年29.5万キロの運転状況でこの状況なら、悪いものではなさそうだ。

吸気バルブやインジェクターに何事も無いことが判断できて、一安心。というのも、普段の整備作業なら異常や破損を見つけて喜ぶところだが、今回のような点検で、バルブステムシール側からの著しいオイル漏れやブローバイガス由来の黒い汚れが大量に見つかれば、エンジンのオーバーホールを考えなければならず、非常に悩ましい問題になっていたと思われるため。

清浄剤が含まれたハイオクガソリンの継続使用は、吸気バルブのコンディション維持に大きく役立つことが分かった。その場でのガソリン代をケチってレギュラーガソリンを使えば、本来の燃焼状態が保てなくなるのでエンジンの調子が悪くなり、燃費も悪化して逆にガソリン代が高くつく可能性が出てくる。レギュラーガソリンを長く使えば使うだけ、吸気バルブが汚れやすくなることも考えられるので、ハイオク仕様車ならハイオクガソリンを使い続けることがベストとなる。

20年29.5万キロを走り続ける中で、定期的なオイル交換や毎日運転が、好調なコンディションに繋がっていることは間違いないようだ。エンジンに重大なトラブルが起きていない以上は無理にバラす必要がなく、今のところは寿命や限界点は全く見通せていない。凄まじい耐久性を誇っている。

走行距離:295,485km

Post